Přihlášení
Aktuality
O nás
Kontakty
Šestihranná
Plochá
Kruhová
Čtvercová
Svařované
Příslušenství
Přesné
Pozínkované
Bezešvé
Závitové tyče
Vruty
Šrouby
Podložky
Ostatní
Matice
Hřebíky
KARI
Hladké
Víko
Svařovací materiál
Silonové tyče
Prokladky
Paleta kovová
Paleta dřevěná
Bedna
Uzavřené obdélníkové
Uzavřené čtvercové
Speciální
Otevřené (L,U,C,Z)
Žebrované
Vlnité
Válcované za tepla
Válcované za studena
Trapézové
Titanzinkové
Slzičkové
Pozinkované
Otěruvzdorné
Děrované
UPE
UE
U
T
L rovnoramenné
L nerovnoramenné
IPE
I
HEM
HEB
HEA
Tyče
Trubky
Profily
Plechy
Ostatní
Jäkly
Zemnící páska
Zemnící drát
Vlákna do betonu
Tahokov
Schodnice
Rošty
Příruby
Pletivo
Ostatní
Lana
Dráty
Plastové
Ostatní
Ocelové
Kroužky
Žebírková
Výztuže
Hladká
Tyče Mosaz
Tyče Al
Trubky Al
Profily Al
Plechy Al
Jäkly Al
Sítě
Pažnice
Drát vázací
Distanční prvky
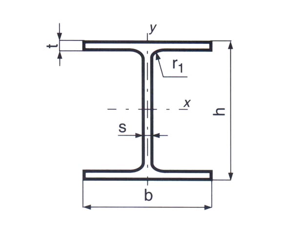
HEA 180 S235JR (B2B)
Kód produktu:
1700022
Skladem 2710 kg
Popis produktu
Parametry
toto je poznámka k
produktu
na b2b
Koeficient
36,4
Hmotnost
1 kg
Délka strany (test)
100 mm